HOME / NEWS
RHODES
CLAVINET
WURLITZER
EXOTEN / EFFEKTE
'TRamp'-PROJEKT
MIDIFIZIERUNG
SCHEMATICS
FAQ
ÜBER UNS / KUNDEN
KONTAKT / IMPRESSUM / AGB
DATENSCHUTZ
 


Schematics



Hier stellen wir allgemeine technische Unterlagen und Schaltpläne vor, die gern in Verbindung mit Rhodes®, Wurlitzer® oder Clavinet® verwendet werden. Wir beschränken uns hier aber nur auf Schaltpläne / Manuals, die nicht sofort ‚an jeder Ecke‘ im Internet zu finden sind.



Dyno-My-Piano ProPiano Preamp
Dieser Preamp ist zum Einbau direkt in Stage-Modelle vorgesehen.
(Danke an W. Drechsler für die Bereitstellung seines Exemplars!)


McLaren / BBE Harmonic Clarifier Schematic
Preamp für direkten Einbau ins Rhodes Piano, eine Art dynamischer 2-Band-Enhancer basierend auf einem JRC-Chip. 9V Batteriebetrieb.


Pickup-Verdrahtungsschema für 88er Rhodes-Pianos
Auf vielfachen Wunsch hier das Schema der Pickupverdrahtung für 88er Rhodes-Pianos...denn dieses weicht an den ‚Endbereichen’ von der üblichen Verdrahtung wie bei 73er Pianos ab...


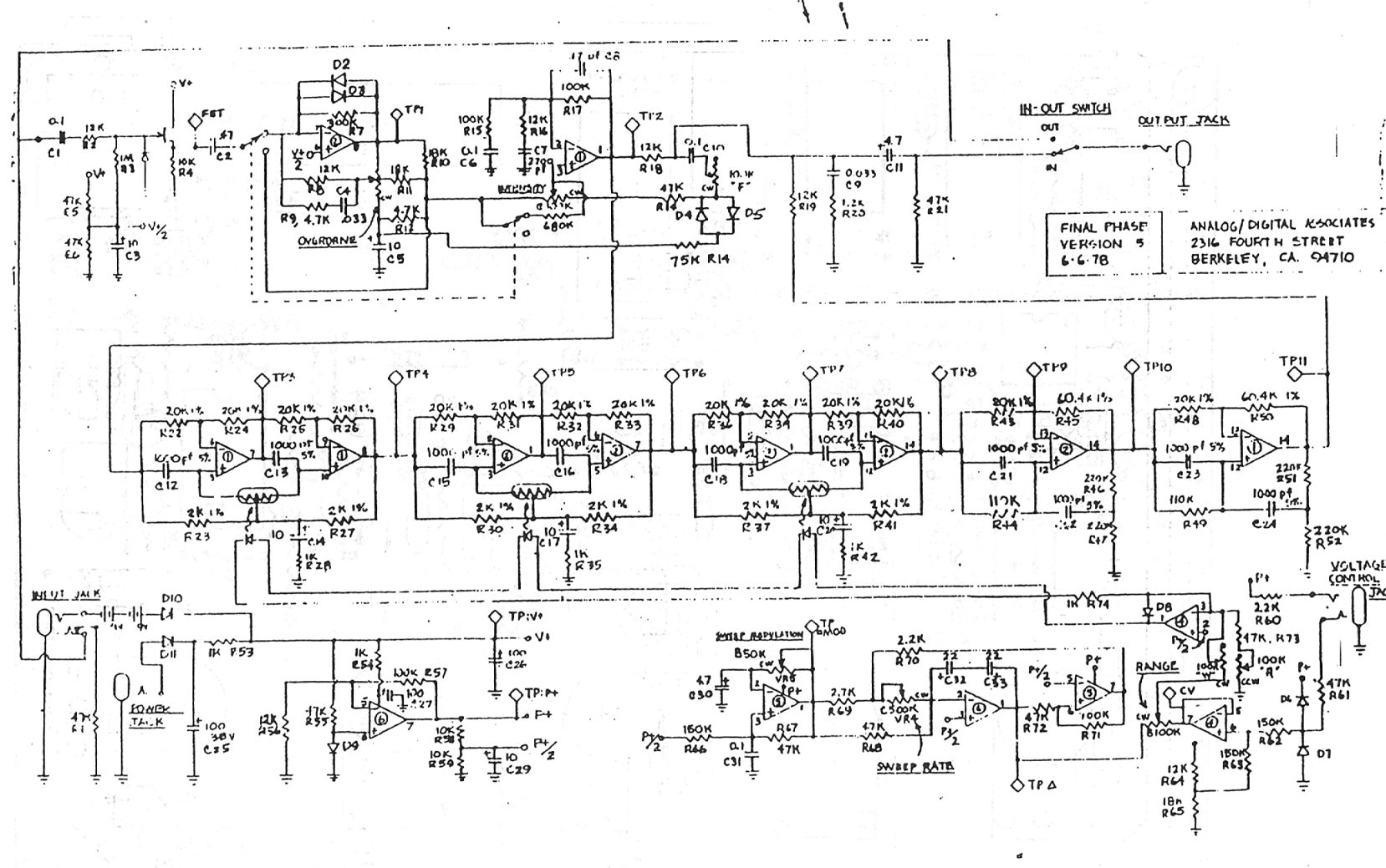
ADA FinalPhase (Version mit Batteriebetrieb)
Phaser mit vorgeschalteter Distortioneinheit


Electro Harmonix PolyPhase
Phaser mit Envelope Follower


Electro Harmonix SmallStone (alte Ur-Version)
Phaser


Dynacord CLS 222 Leslie-Simulator (Teil1) (Teil2)
Analoger (bester?) Leslie-Simulator im 19"-Gehäuse


BOSS CE-300 Chorus
Vollstereo-Chorus im 19"-Gehäuse


BOSS Dimension C
Kleine Pedalversion des Roland Dimension D


SCI Prophet 600 Bedienungsanleitung in Deutsch
Die Anleitung zum ersten serienmäßig mit MIDI ausgestatteten Instrument... Danke diesbezüglich auch an Bernhard Döring, der mich so lange bekniete, doch endlich mal die Anleitung zu scannen...


...wird fortgesetzt...

 
Top